Micro-interrupteur NL
CLION
| État de disponibilité: | |
|---|---|
| Quantité: | |
Le micro-interrupteur NL-5W est un interrupteur polyvalent et fiable qui intègre diverses fonctionnalités pour répondre à différents besoins.Explorons ses principes, ses fonctionnalités et ses applications.
Le principe de fonctionnement d'un micro-interrupteur NL est basé sur sa structure de contact interne et son mécanisme à ressort.Un micro-interrupteur se compose généralement d'un contact fixe et d'un contact mobile.
Le principe de fonctionnement d'un micro-interrupteur est basé sur cette commutation entre les états ouvert et fermé, contrôlée par la force externe appliquée au micro-interrupteur.Cela permet au micro-interrupteur de fonctionner dans diverses applications, assurant le contrôle, la détection et la protection des circuits.
Le micro-interrupteur NL-5W est un interrupteur polyvalent et fiable qui intègre diverses fonctionnalités pour répondre à différents besoins.Explorons ses principes, ses fonctionnalités et ses applications.
Le micro-interrupteur NL-5W est construit avec une structure à ressort de tension, assurant une force de contact stable et fiable.Cette conception permet des opérations de commutation cohérentes et précises, ce qui la rend adaptée aux applications nécessitant un contrôle précis.
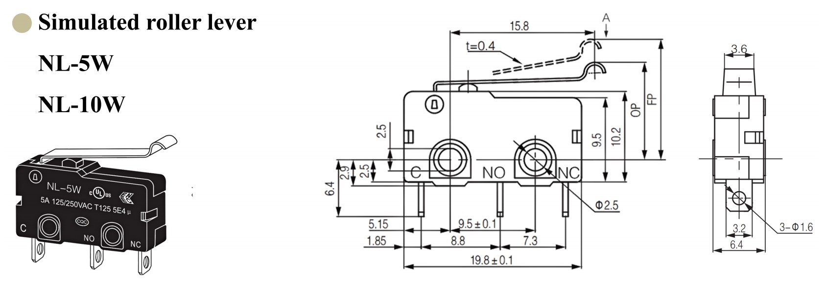
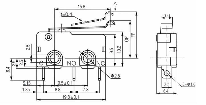
Équipé d'un levier à rouleau simulé, le micro-interrupteur NL-5W offre un contrôle et une précision améliorés.La conception du levier à rouleau permet un actionnement fluide et précis, ce qui le rend idéal pour les applications nécessitant un positionnement ou un contrôle précis.
Le micro-interrupteur NL-5W offre des capacités d'action rapide, permettant une commutation rapide et efficace.Il a une vitesse d'actionnement élevée, ce qui le rend adapté aux applications nécessitant des temps de réponse rapides, telles que les boutons d'arrêt d'urgence ou les interrupteurs de sécurité.
Avec sa faible course de fonctionnement, le micro-interrupteur NL-5W est conçu pour fonctionner efficacement dans les applications avec un espace limité.Il s’intègre facilement dans des appareils ou systèmes électroniques compacts où l’espace est une contrainte.
L'une des caractéristiques notables du micro-interrupteur NL-5W est sa longue durée de vie.Il est construit avec des matériaux et des composants de haute qualité, garantissant durabilité et fiabilité.Cela le rend adapté aux applications nécessitant des performances à long terme, telles que les machines ou équipements industriels.
Le micro-interrupteur NL-5W trouve des applications dans diverses industries et secteurs.Il est couramment utilisé dans les systèmes d’automatisation, la robotique, l’électronique grand public, les systèmes automobiles, etc.Sa polyvalence et sa fiabilité en font un choix idéal pour une large gamme d'applications nécessitant une commutation précise et efficace.
En résumé, le micro-interrupteur NL-5W offre une structure à ressort de tension, un levier à rouleau simulé, une action rapide, une faible course de fonctionnement et une longue durée de vie.Grâce à ces fonctionnalités, il offre des performances de commutation fiables et précises.Ses applications couvrent divers secteurs, notamment l'automatisation, la robotique, l'électronique grand public et les systèmes automobiles, ce qui en fait un choix polyvalent et durable pour différentes applications.
Le micro-interrupteur NL-5W est un interrupteur polyvalent et fiable qui intègre diverses fonctionnalités pour répondre à différents besoins.Explorons ses principes, ses fonctionnalités et ses applications.
Le principe de fonctionnement d'un micro-interrupteur NL est basé sur sa structure de contact interne et son mécanisme à ressort.Un micro-interrupteur se compose généralement d'un contact fixe et d'un contact mobile.
Le principe de fonctionnement d'un micro-interrupteur est basé sur cette commutation entre les états ouvert et fermé, contrôlée par la force externe appliquée au micro-interrupteur.Cela permet au micro-interrupteur de fonctionner dans diverses applications, assurant le contrôle, la détection et la protection des circuits.
Le micro-interrupteur NL-5W est un interrupteur polyvalent et fiable qui intègre diverses fonctionnalités pour répondre à différents besoins.Explorons ses principes, ses fonctionnalités et ses applications.
Le micro-interrupteur NL-5W est construit avec une structure à ressort de tension, assurant une force de contact stable et fiable.Cette conception permet des opérations de commutation cohérentes et précises, ce qui la rend adaptée aux applications nécessitant un contrôle précis.
Équipé d'un levier à rouleau simulé, le micro-interrupteur NL-5W offre un contrôle et une précision améliorés.La conception du levier à rouleau permet un actionnement fluide et précis, ce qui le rend idéal pour les applications nécessitant un positionnement ou un contrôle précis.
Le micro-interrupteur NL-5W offre des capacités d'action rapide, permettant une commutation rapide et efficace.Il a une vitesse d'actionnement élevée, ce qui le rend adapté aux applications nécessitant des temps de réponse rapides, telles que les boutons d'arrêt d'urgence ou les interrupteurs de sécurité.
Avec sa faible course de fonctionnement, le micro-interrupteur NL-5W est conçu pour fonctionner efficacement dans les applications avec un espace limité.Il s’intègre facilement dans des appareils ou systèmes électroniques compacts où l’espace est une contrainte.
L'une des caractéristiques notables du micro-interrupteur NL-5W est sa longue durée de vie.Il est construit avec des matériaux et des composants de haute qualité, garantissant durabilité et fiabilité.Cela le rend adapté aux applications nécessitant des performances à long terme, telles que les machines ou équipements industriels.
Le micro-interrupteur NL-5W trouve des applications dans diverses industries et secteurs.Il est couramment utilisé dans les systèmes d’automatisation, la robotique, l’électronique grand public, les systèmes automobiles, etc.Sa polyvalence et sa fiabilité en font un choix idéal pour une large gamme d'applications nécessitant une commutation précise et efficace.
En résumé, le micro-interrupteur NL-5W offre une structure à ressort de tension, un levier à rouleau simulé, une action rapide, une faible course de fonctionnement et une longue durée de vie.Grâce à ces fonctionnalités, il offre des performances de commutation fiables et précises.Ses applications couvrent divers secteurs, notamment l'automatisation, la robotique, l'électronique grand public et les systèmes automobiles, ce qui en fait un choix polyvalent et durable pour différentes applications.