NNG1C-1/032F-120(SSR-DA)
CLION
| État de disponibilité: | |
|---|---|
| Quantité: | |
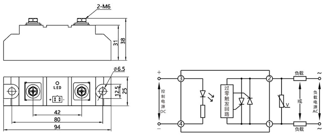
Le relais statique NNG1C-1/032F-120 est un relais de qualité industrielle conçu avec une configuration d'entrée CC et de sortie CA. Sa technologie à semi-conducteurs de pointe garantit une fiabilité élevée, des temps de réponse rapides et une commutation sans contact, ce qui en fait un composant essentiel des systèmes d'automatisation industrielle modernes. Ce relais a gagné en popularité pour sa durabilité, son efficacité et sa capacité à répondre à diverses demandes d'applications.
À la base, un relais statique fonctionne comme un commutateur électronique sans contact alimenté par des dispositifs semi-conducteurs. Lorsqu'un signal de commande est reçu, le relais transfère le signal à la sortie via une isolation optoélectronique. Cette conception élimine les contacts mécaniques, évitant ainsi les problèmes tels que l'usure et les rebonds couramment observés dans les relais électromagnétiques traditionnels.
Le résultat est un relais avec une durée de vie nettement plus longue et des vitesses de réponse plusieurs fois plus rapides que les relais conventionnels, idéal pour répondre aux exigences croissantes de l'automatisation industrielle.
Polyvalence d'entrée CC et de sortie CA
Le NNG1C-1/032F-120 prend en charge les entrées de tension continue et les sorties de tension alternative, garantissant ainsi la compatibilité avec divers environnements d'alimentation électrique. Sa large plage de contrôle de tension s'adapte parfaitement aux différentes exigences de contrôle.
Conception économe en énergie
Conçu dans un souci d'efficacité énergétique, ce relais ne consomme que 5 à 25 mA tout en offrant des capacités de réponse à grande vitesse. Il s'aligne sur les objectifs modernes de développement durable sans compromettre les performances.
Isolation et sécurité supérieures
Le boîtier du relais présente des propriétés d'isolation robustes, garantissant un fonctionnement sûr et fiable dans les environnements industriels et résidentiels.
Adaptabilité aux conditions environnementales
Conçu pour fonctionner dans des conditions de températures extrêmes, ce relais offre un fonctionnement fiable dans divers climats, s'adressant aux clients de diverses régions.
Le Relais statique NNG1C-1/032F-120 est polyvalent et largement utilisé dans les domaines suivants :
Systèmes de contrôle des feux de signalisation et du scintillement
Matériel d'éclairage et de scène
Instruments et compteurs
Dispositifs médicaux
Matériel de bureau comme des duplicateurs
Machines à laver automatiques
Systèmes d'incendie et de sécurité
Systèmes de réseau électrique pour la compensation du facteur de puissance
Ce relais combine technologie avancée, efficacité énergétique et performances robustes pour répondre aux exigences de l'automatisation industrielle et des applications grand public. Avec son fonctionnement fiable, ses fonctions de sécurité améliorées et son adaptabilité aux environnements difficiles, il constitue un choix idéal pour un large éventail d’industries.
Le relais statique NNG1C-1/032F-120 est un relais de qualité industrielle conçu avec une configuration d'entrée CC et de sortie CA. Sa technologie à semi-conducteurs de pointe garantit une fiabilité élevée, des temps de réponse rapides et une commutation sans contact, ce qui en fait un composant essentiel des systèmes d'automatisation industrielle modernes. Ce relais a gagné en popularité pour sa durabilité, son efficacité et sa capacité à répondre à diverses demandes d'applications.
À la base, un relais statique fonctionne comme un commutateur électronique sans contact alimenté par des dispositifs semi-conducteurs. Lorsqu'un signal de commande est reçu, le relais transfère le signal à la sortie via une isolation optoélectronique. Cette conception élimine les contacts mécaniques, évitant ainsi les problèmes tels que l'usure et les rebonds couramment observés dans les relais électromagnétiques traditionnels.
Le résultat est un relais avec une durée de vie nettement plus longue et des vitesses de réponse plusieurs fois plus rapides que les relais conventionnels, idéal pour répondre aux exigences croissantes de l'automatisation industrielle.
Polyvalence d'entrée CC et de sortie CA
Le NNG1C-1/032F-120 prend en charge les entrées de tension continue et les sorties de tension alternative, garantissant ainsi la compatibilité avec divers environnements d'alimentation électrique. Sa large plage de contrôle de tension s'adapte parfaitement aux différentes exigences de contrôle.
Conception économe en énergie
Conçu dans un souci d'efficacité énergétique, ce relais ne consomme que 5 à 25 mA tout en offrant des capacités de réponse à grande vitesse. Il s'aligne sur les objectifs modernes de développement durable sans compromettre les performances.
Isolation et sécurité supérieures
Le boîtier du relais présente des propriétés d'isolation robustes, garantissant un fonctionnement sûr et fiable dans les environnements industriels et résidentiels.
Adaptabilité aux conditions environnementales
Conçu pour fonctionner dans des conditions de températures extrêmes, ce relais offre un fonctionnement fiable dans divers climats, s'adressant aux clients de diverses régions.
Le Relais statique NNG1C-1/032F-120 est polyvalent et largement utilisé dans les domaines suivants :
Systèmes de contrôle des feux de signalisation et du scintillement
Matériel d'éclairage et de scène
Instruments et compteurs
Dispositifs médicaux
Matériel de bureau comme des duplicateurs
Machines à laver automatiques
Systèmes d'incendie et de sécurité
Systèmes de réseau électrique pour la compensation du facteur de puissance
Ce relais combine technologie avancée, efficacité énergétique et performances robustes pour répondre aux exigences de l'automatisation industrielle et des applications grand public. Avec son fonctionnement fiable, ses fonctions de sécurité améliorées et son adaptabilité aux environnements difficiles, il constitue un choix idéal pour un large éventail d’industries.