Nng1 (M) Série anti-interférence
CLION
| État de disponibilité: | |
|---|---|
| Quantité: | |
Les relais à semi-conducteurs anti-interférence (SSR) jouent un rôle important dans le domaine du contrôle industriel en raison de leurs excellentes performances.
Le SSR anti-ingérence utilise une conception avancée pour résister efficacement à l'interférence électromagnétique (EMI) et aux interférences radiofréquences (RFI). Étant donné que les SSR fonctionnent sur la base de dispositifs semi-conducteurs, ils ne génèrent pas eux-mêmes des champs électromagnétiques par rapport aux relais mécaniques traditionnels, ils sont donc moins sensibles aux interférences électromagnétiques externes. Cette caractéristique est particulièrement importante dans les environnements industriels, où les rayonnements électromagnétiques générés par des dispositifs tels que les moteurs, les relais, les onduleurs, etc., peuvent avoir un impact sur les relais mécaniques traditionnels, tandis que les SSR sont mieux à même de résister à cette interférence.
SSR est connu pour sa durabilité et son long cycle de vie. En théorie, si le courant ne dépasse pas les 1/3 de la note, en l'absence de surtension, une température élevée et une dissipation de chaleur normale, le SSR peut être utilisé pendant au moins 5 à 10 ans. Son composant central interne est le thyristor, qui appartient à des composants de semi-conducteurs de puissance, et théoriquement le nombre de temps de marche peut atteindre 10 à la 12e puissance, dépassant de loin les 10 au 5e pouvoir des contacteurs AC ordinaires.
Le SSR n'a pas de pièces mécaniques mobiles, il n'y a donc pas d'action mécanique dans le travail, et il a des avantages par rapport au DME, tels que la résistance aux chocs et la résistance aux chocs mécaniques. Cette caractéristique fait fonctionner le SSR de manière stable même dans l'environnement d'un impact élevé et de vibrations. En raison des caractéristiques inhérentes des composants qui composent le SSR, la longue durée de vie et la forte fiabilité du SSR sont déterminées.
SSR est conçu en pensant à la facilité des utilisateurs. Ils prennent généralement en charge différentes connexions et méthodes de montage telles que le montage des panneaux et des rails, ainsi que des feuilles de silicone thermique en standard, et ont un système accessoire complet tel que le radiateur et les attaches de rail de montage, ce qui est extrêmement facile à utiliser.
La sécurité de SSR résistante au sabotage est également une caractéristique importante. Ils ont généralement une identification claire de l'extrémité de commande et de l'extrémité de charge pour assurer la sécurité de la connexion utilisateur. Cette conception aide à prévenir l'accès et la falsification non autorisés, en particulier dans les applications où la sécurité est critique.
En résumé, le SSR anti-ingérence fournit une solution fiable dans l'automatisation industrielle et les applications de contrôle avec sa forte fiabilité, sa longue durée de vie, sa résistance aux chocs et aux vibrations, sa facilité d'utilisation et sa sécurité excitée.
| Tension de contrôle | 3-32VDC |
| Contrôle du courant | 6-25m |
| Tension connectée | 3VDC |
| Tension de désactivation | 1VDC |
| Tension de chargement | 22: 24-240vac 38: 24-440vac |
| Courant de charge | 10A, 15A, 20A, 25A, 30A, 40A, 60A, 80A, 100A |
| Température ambiante | -30 ~ 80 ℃ |
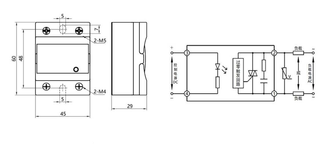
| Dimension | 60 × 45 × 29 mm |
Les relais à semi-conducteurs anti-interférence (SSR) jouent un rôle important dans le domaine du contrôle industriel en raison de leurs excellentes performances.
Le SSR anti-ingérence utilise une conception avancée pour résister efficacement à l'interférence électromagnétique (EMI) et aux interférences radiofréquences (RFI). Étant donné que les SSR fonctionnent sur la base de dispositifs semi-conducteurs, ils ne génèrent pas eux-mêmes des champs électromagnétiques par rapport aux relais mécaniques traditionnels, ils sont donc moins sensibles aux interférences électromagnétiques externes. Cette caractéristique est particulièrement importante dans les environnements industriels, où les rayonnements électromagnétiques générés par des dispositifs tels que les moteurs, les relais, les onduleurs, etc., peuvent avoir un impact sur les relais mécaniques traditionnels, tandis que les SSR sont mieux à même de résister à cette interférence.
SSR est connu pour sa durabilité et son long cycle de vie. En théorie, si le courant ne dépasse pas les 1/3 de la note, en l'absence de surtension, une température élevée et une dissipation de chaleur normale, le SSR peut être utilisé pendant au moins 5 à 10 ans. Son composant central interne est le thyristor, qui appartient à des composants de semi-conducteurs de puissance, et théoriquement le nombre de temps de marche peut atteindre 10 à la 12e puissance, dépassant de loin les 10 au 5e pouvoir des contacteurs AC ordinaires.
Le SSR n'a pas de pièces mécaniques mobiles, il n'y a donc pas d'action mécanique dans le travail, et il a des avantages par rapport au DME, tels que la résistance aux chocs et la résistance aux chocs mécaniques. Cette caractéristique fait fonctionner le SSR de manière stable même dans l'environnement d'un impact élevé et de vibrations. En raison des caractéristiques inhérentes des composants qui composent le SSR, la longue durée de vie et la forte fiabilité du SSR sont déterminées.
SSR est conçu en pensant à la facilité des utilisateurs. Ils prennent généralement en charge différentes connexions et méthodes de montage telles que le montage des panneaux et des rails, ainsi que des feuilles de silicone thermique en standard, et ont un système accessoire complet tel que le radiateur et les attaches de rail de montage, ce qui est extrêmement facile à utiliser.
La sécurité de SSR résistante au sabotage est également une caractéristique importante. Ils ont généralement une identification claire de l'extrémité de commande et de l'extrémité de charge pour assurer la sécurité de la connexion utilisateur. Cette conception aide à prévenir l'accès et la falsification non autorisés, en particulier dans les applications où la sécurité est critique.
En résumé, le SSR anti-ingérence fournit une solution fiable dans l'automatisation industrielle et les applications de contrôle avec sa forte fiabilité, sa longue durée de vie, sa résistance aux chocs et aux vibrations, sa facilité d'utilisation et sa sécurité excitée.
| Tension de contrôle | 3-32VDC |
| Contrôle du courant | 6-25m |
| Tension connectée | 3VDC |
| Tension de désactivation | 1VDC |
| Tension de chargement | 22: 24-240vac 38: 24-440vac |
| Courant de charge | 10A, 15A, 20A, 25A, 30A, 40A, 60A, 80A, 100A |
| Température ambiante | -30 ~ 80 ℃ |
| Dimension | 60 × 45 × 29 mm |