Le relais statique (SSR) série NNG1D offre une solution traversante compacte pour les applications de contrôle industriel de haute fiabilité.Avec des options polyvalentes de tension et de courant, il prend en charge une large gamme de systèmes de contrôle.Doté d'une commutation rapide et d'une faible perte de puissance, ce SSR garantit efficacité et performances.Conçu pour résister aux environnements difficiles, sa résilience le rend idéal pour les applications nécessitant durabilité et fonctionnement constant.
Série NNG1D SIP
CLION
| État de disponibilité: | |
|---|---|
| Quantité: | |
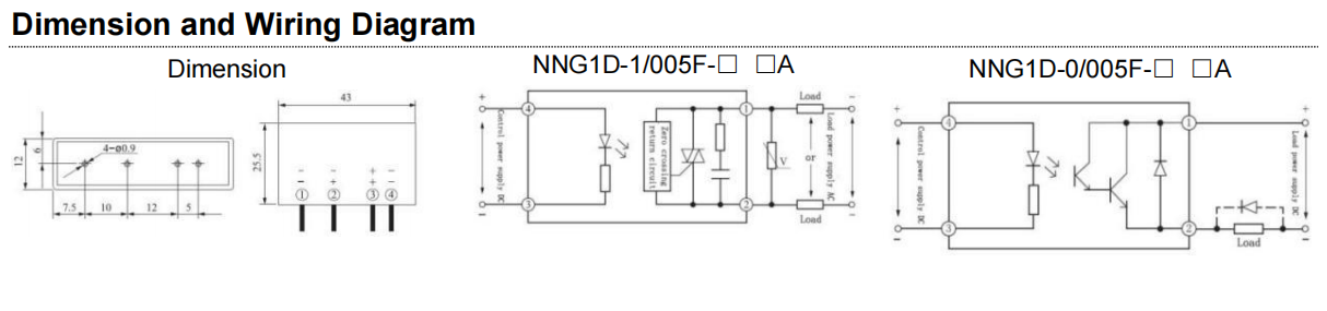
Le relais Solid State (SSR) de la série NNG1D est un dispositif compact à travers un trou conçu pour des applications à haute fiabilité. Il est méticuleusement conçu pour répondre aux exigences strictes de GB14048.5, garantissant une solution robuste et durable pour divers systèmes de contrôle industriel et d'automatisation.
Pour la première partie, c'est aussi la différence fondamentale, est le principe de travail. Le relais normal utilise des composants mécaniques, tels qu'un électroaim, une armature et des contacts physiques, pour changer le circuit. Lorsque la bobine est sous tension, l'électromaigrette tire l'armature, fermant ou ouvrant les contacts pour contrôler la charge. Cependant, pour le relais à l'état solide, utilise des composants semi-conducteurs (par exemple, des thyristors, des triacs ou des MOSFET) pour changer la charge électroniquement, sans aucune pièce mobile. Un petit signal d'entrée (par exemple, DC ou AC) contrôle la commutation de sortie via des optocoupleurs ou d'autres méthodes d'isolement.
Pour la deuxième partie, c'est la différence évidente, la construction est la construction. Le relais normal contient des pièces mécaniques comme les bobines, les ressorts et les contacts. Typiquement plus grand en raison des composants mécaniques. Pour le relais à semi-conducteurs, il est sans pièces mobiles. Compact et léger, souvent conçu pour le montage des PCB ou le montage du panneau.
Pour le troisième et la partie importante est l'application. Le relais normal est idéal pour la commutation générale, les applications à basse fréquence et les environnements où le coût est une préoccupation principale. Couramment utilisé dans l'automobile, le contrôle industriel et les appareils ménagers. Le relais à l'état solide est le meilleur pour la commutation à grande vitesse, le fonctionnement silencieux et les environnements avec vibration ou choc. Largement utilisé dans le contrôle de la température, les PLC, les équipements médicaux et les systèmes d'éclairage.
Haute intégrité structurelle: la série NNG1D est conçue pour résister aux impacts et aux vibrations, garantissant un fonctionnement fiable dans des environnements difficiles.
Fonctionnement sans étincelle: il élimine le risque d'étincelles, ce qui est crucial pour les applications dans des environnements inflammables ou explosifs.
Faible émission de bruit: le SSR fonctionne silencieusement, ce qui le rend adapté aux applications sensibles au bruit.
Longue durée de vie: Avec sa construction durable et ses performances fiables, la série NNG1D est conçue pour une longue durée de vie opérationnelle.
Large plage d'applications: il trouve une utilisation dans divers secteurs, y compris les lumières du signal, les clignotes, les systèmes de contrôle d'éclairage, l'équipement médical, les machines de bureau et les contrôles d'automatisation.
Résilience environnementale: Le relais est idéal pour une utilisation dans des industries telles que les produits chimiques et les mines, où il doit résister à l'exposition à la poussière, à l'humidité et aux substances corrosives.
Montage de PCB: La conception à travers un trou permet une installation facile sur les cartes de circuits imprimées, améliorant la facilité d'intégration.
Le relais solide de la série NNG1D représente une fusion de l'innovation et de la fiabilité, conçue pour répondre aux exigences des applications industrielles et d'automatisation modernes avec ses fonctionnalités robustes et son facteur de forme compact.
Le relais Solid State (SSR) de la série NNG1D est un dispositif compact à travers un trou conçu pour des applications à haute fiabilité. Il est méticuleusement conçu pour répondre aux exigences strictes de GB14048.5, garantissant une solution robuste et durable pour divers systèmes de contrôle industriel et d'automatisation.
Pour la première partie, c'est aussi la différence fondamentale, est le principe de travail. Le relais normal utilise des composants mécaniques, tels qu'un électroaim, une armature et des contacts physiques, pour changer le circuit. Lorsque la bobine est sous tension, l'électromaigrette tire l'armature, fermant ou ouvrant les contacts pour contrôler la charge. Cependant, pour le relais à l'état solide, utilise des composants semi-conducteurs (par exemple, des thyristors, des triacs ou des MOSFET) pour changer la charge électroniquement, sans aucune pièce mobile. Un petit signal d'entrée (par exemple, DC ou AC) contrôle la commutation de sortie via des optocoupleurs ou d'autres méthodes d'isolement.
Pour la deuxième partie, c'est la différence évidente, la construction est la construction. Le relais normal contient des pièces mécaniques comme les bobines, les ressorts et les contacts. Typiquement plus grand en raison des composants mécaniques. Pour le relais à semi-conducteurs, il est sans pièces mobiles. Compact et léger, souvent conçu pour le montage des PCB ou le montage du panneau.
Pour le troisième et la partie importante est l'application. Le relais normal est idéal pour la commutation générale, les applications à basse fréquence et les environnements où le coût est une préoccupation principale. Couramment utilisé dans l'automobile, le contrôle industriel et les appareils ménagers. Le relais à l'état solide est le meilleur pour la commutation à grande vitesse, le fonctionnement silencieux et les environnements avec vibration ou choc. Largement utilisé dans le contrôle de la température, les PLC, les équipements médicaux et les systèmes d'éclairage.
Haute intégrité structurelle: la série NNG1D est conçue pour résister aux impacts et aux vibrations, garantissant un fonctionnement fiable dans des environnements difficiles.
Fonctionnement sans étincelle: il élimine le risque d'étincelles, ce qui est crucial pour les applications dans des environnements inflammables ou explosifs.
Faible émission de bruit: le SSR fonctionne silencieusement, ce qui le rend adapté aux applications sensibles au bruit.
Longue durée de vie: Avec sa construction durable et ses performances fiables, la série NNG1D est conçue pour une longue durée de vie opérationnelle.
Large plage d'applications: il trouve une utilisation dans divers secteurs, y compris les lumières du signal, les clignotes, les systèmes de contrôle d'éclairage, l'équipement médical, les machines de bureau et les contrôles d'automatisation.
Résilience environnementale: Le relais est idéal pour une utilisation dans des industries telles que les produits chimiques et les mines, où il doit résister à l'exposition à la poussière, à l'humidité et aux substances corrosives.
Montage de PCB: La conception à travers un trou permet une installation facile sur les cartes de circuits imprimées, améliorant la facilité d'intégration.
Le relais solide de la série NNG1D représente une fusion de l'innovation et de la fiabilité, conçue pour répondre aux exigences des applications industrielles et d'automatisation modernes avec ses fonctionnalités robustes et son facteur de forme compact.